主存储器
一、主存储器的构成
| ##container## |
|---|
![]() |
| 主存储器(MainMemory, MM)的基本框图 |
其中由一个个存储0或1的记忆单元(cell)构成的存储阵列是存储器的核心部分。这种记忆单元也称为存储元、位元, 它是具有两种稳态的能表示二进制0和1的物理器件。存储阵列(bank) 也被称为存储体、存储矩阵。为了存取存储体中的信息,必须对存储单元编号, 所编号码就是地址。编址单位(addressing unit) 是指具有相同地址的那些位元构成的一个单位, 可以是一个字节或一个字。对各存储单元进行编号的方式称为编址方式(addressingmode), 可以按字节编址, 也可以按字编址。
-
CPU:中央处理器(Central Processing Unit),负责处理和控制整个计算机的操作。
-
MDR (Memory Data Register):内存数据寄存器,用于临时存放从内存读取的数据或者准备写入内存的数据。
-
MAR (Memory Address Register):内存地址寄存器,用来保存当前要访问的内存地址。
-
地址寄存器:位于主存储器内部,接收来自CPU的地址,并将其传递给地址译码器以确定正确的存储单元。
-
地址译码器:根据接收到的地址信号来选择并激活相应的存储单元。
-
存储单元:实际存储数据的地方,每个单元可以存储一位(bit)数据,通常以字节(byte)为基本单位组织起来。
-
读写控制电路:负责协调数据的读取和写入过程,包括控制数据线上的数据流动以及向存储单元发送适当的读/写命令。
-
数据线:连接CPU和主存储器的线路,用于传输数据。
-
控制线:连接CPU和主存储器的线路,用于传输各种控制信号,如读/写信号等。
-
在这个系统中,当CPU需要从主存储器中读取数据时,它会首先将所需数据的地址放入MAR,然后发出读请求。这个地址会被传送到主存储器的地址寄存器,接着经过地址译码器找到对应的存储单元。
与此同时,CPU也会将数据线设置为输入模式,等待从主存储器接收数据。一旦数据准备好,它就会通过数据线传回给CPU,并被存储到MDR中。
-
相反,如果CPU需要将数据写入主存储器,它会先将数据放入MDR,然后将目标地址放入MAR,最后发出写请求。同样地,地址会被传送到主存储器,但这次是触发写操作,使得数据从MDR通过数据线写入到指定的存储单元。
二、存储器芯片与 CPU 的连接
| ##container## |
|---|
![]() |
| 主存与CPU之间的连接 |
CPU通过其芯片内的总线接口部件(即总线控制逻辑)与系统总线相连, 然后再通过总线之间的I/O桥接器、存储器总线连接到主存。
注:为了支持不同类型的总线(如处理器总线、存储器总线、I/O总线等)之间的通信,通常会使用桥接器(也称为桥芯片或北桥/南桥)来连接这些总线。这些桥接器不仅负责总线之间的信号转换和传输,还可能提供额外的功能,如缓存、中断控制等。然而,需要注意的是,随着计算机技术的发展,许多现代计算机系统已经采用了更加集成化的设计,将许多原本分散在多个芯片上的功能集成到了一个或多个芯片中,从而减少了总线接口和桥接器的数量。
在计算机系统中,总线是连接各个部件(如CPU、主存、I/O设备等)的共享传输介质,它允许这些部件之间进行有效的通信和数据传输。总线通常由控制线、数据线和地址线构成:
-
控制线:负责传输控制信号,如时钟信号、中断信号、读写信号等,这些信号用于协调总线上的数据传输过程,确保各个部件能够按照预定的顺序和规则进行通信。
-
数据线:用于在CPU和主存之间传输实际的数据信息。每一根数据线可以传输一位数据,因此
数据线的条数(即位宽)决定了总线一次能够传输的数据量。现代计算机系统的数据线位宽通常很高,如64位、128位甚至更高,以提高数据传输的效率。例如,如果数据线有32条,则数据传输的宽度为32位。 -
地址线:用于指定主存中数据的存储位置(即地址)。CPU在需要读取或写入主存中的数据时,首先会通过地址线发送数据的地址信息,然后主存根据这个地址信息找到相应的存储单元,进行数据的读写操作。
在CPU和主存之间交换信息时,整个过程通常如下:
CPU首先通过总线接口部件(即总线控制逻辑)将需要访问的主存地址发送到地址线上。同时,CPU还会发送相应的总线控制信息到控制线上,以指示这是一次读操作还是写操作,并协调其他可能的总线活动。
一旦地址和控制信息被发送出去,CPU和主存之间就可以通过数据线开始传输数据了。
- 如果是
读操作,主存会将指定地址中的数据发送到数据线上,供CPU读取; - 如果是
写操作,CPU会将数据发送到数据线上,由主存存储到指定地址中。
三、存储器芯片的扩展
受限于物理尺寸、功耗、散热和成本等因素,单个存储芯片的容量和性能都有其极限。
为了构建更大容量和更高性能的主存储器系统,就好像我们经常看见的内存条,将多个芯片做在一个主存模块(即内存条)上,然后由多个主存模块以及主板或扩充板上的RAM 芯片和 ROM 芯片组成一台计算机所需的主存空间,再通过系统总线和 CPU 相连。
内存条插槽就是存储器总线,内存条中的信息通过内存条的引脚, 再通过插槽内的引线连接到主板上,通过主板上的导线连接到北桥芯片或CPU芯片。
单个芯片的容量是有限的,因此通过存储器芯片扩展技术,将多个芯片集成在一个内存条上。
描述主存大小:128MB,这个是以字节为单位进描述的。
我们知道计算机一次能直接处理的二进制数据的位数 是一个字的大小(即字长)。所以我们可以基于字长来描述主存大小:例如字长为32位,则128MB=32M * 32b,即有32M个字,每个字为32位。
由于单个存储芯片在字数或字长方面与实际存储器的要求都有差距,因此需要在字和位两方面进行扩充才能满足实际存储器的容量要求。
3.1 位扩展
位扩展的目标是增加存储器的数据总线宽度,也就是说,增加每个存储单元能同时读写的数据位数。
例如,假设有一个8位的存储芯片,这意味着每个存储位置只能存储8位的数据。但是,如果系统需要的是32位的数据宽度,那么就需要使用位扩展技术。
位扩展是指在不改变存储单元数量(即存储容量--字数)的情况下,通过增加存储单元的位数来扩展存储器的字长。也就是说,当存储器的存储容量满足需求,但字长不足时,可以采用位扩展技术。
实现方式:
并联多个相同规格的存储芯片,让它们共享相同的地址线和控制线,但各自拥有独立的数据线。
假设需要8位的宽度,你可以并联8个1位的芯片,每个芯片的数据线都连接到系统总线的不同部分,这样,当一个地址被激活时,8个芯片将同时读写数据,共同构成一个8位的数据字。
| ##container## |
|---|
![]() |
-
地址线与控制线连接:所有存储器芯片的地址线和控制线(如读写控制线R/W)都直接相连,因为它们需要共享相同的地址和控制信号。
-
数据线连接:将多个芯片的数据线分为高位和低位(或其他分组方式),分别连接到系统的数据总线上。这样,当进行读写操作时,多个芯片会同时被选中,但各自负责传输数据的一部分。
-
片选信号:由于所有芯片都共享相同的地址和控制信号,因此它们的片选信号(CS)通常也连接在一起,或者不需要单独的片选信号(取决于芯片设计)。
3.2 字扩展
字扩展的目标是增加存储器的地址空间,即增加存储器的深度,允许存储更多的数据字。在不改变存储单元位数(即字长)的情况下,通过增加存储单元的数量来扩展存储器的容量。也就是说,当存储器的字长满足需求,但存储容量不足时,可以采用字扩展技术。
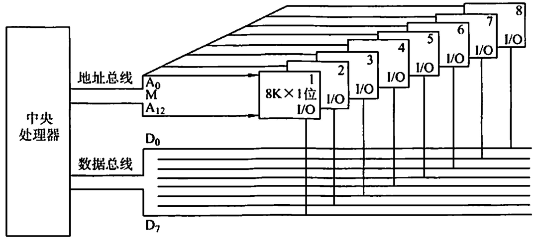
串联多个相同规格的存储芯片,让它们共享相同的数据线和控制线,但各自拥有独立的地址线。
假设你需要4K字节的存储空间,你可以串联4个1K字节的芯片,通过地址译码器来选择当前操作的是哪一个芯片。地址线的一部分用于选择芯片,另一部分用于在选定的芯片内定位具体的存储位置。
用4片16K * 8位的RAM芯片组成64K * 8位的存储器。4片RAM芯片的数据线 ~ , 和 都分别连在一起。将 用作片选信号, 时,译码器输出端 有效,选中最左边1号芯片; 时,译码器输出端 有效,选中2号芯片,以此类推(同一时刻只能有一个芯片被选中)。
| ##container## |
|---|
![]() |
-
地址线连接:将所有存储器芯片的地址线分为高位地址线和低位地址线。低位地址线直接相连,用于选择芯片内的存储单元;高位地址线则通过译码器与各个芯片的片选信号(CS)相连,用于区分不同芯片的地址范围。
-
数据线与控制线连接:所有芯片的数据线( ~ )和控制线(如读写控制线R/W)都直接相连,因为它们共享相同的数据传输和控制信号。
-
译码器与片选信号:使用译码器对高位地址进行译码,产生各个芯片的片选信号。当某个芯片被选中时,其片选信号为低电平(或高电平,取决于电路设计),允许该芯片参与数据传输;其他芯片则处于未选中状态,不参与数据传输。
用4片16K * 8位的RAM芯片组成64K * 8位的存储器。各芯片的地址分配如下:
- 第一片,最低地址:
0000 0000 0000 0000 最高地址:0011 1111 1111 1111 (16 位) - 第二片,最低地址:
0100 0000 0000 0000 最高地址:0111 1111 1111 1111 - 第三片,最低地址:
1000 0000 0000 0000 最高地址:1011 1111 1111 1111 - 第四片,最低地址:
1100 0000 0000 0000 最高地址:1111 1111 1111 1111
3.3 字位同时扩展
在实际应用中,位扩展和字扩展通常是结合使用的,以同时增加存储器的宽度和深度。就是指通过同时使用多个存储器芯片,在增加存储单元数量的同时,也增加每个存储单元的位数,从而扩展整个存储器的容量和字长。
当存储器的现有容量和字长均不满足系统需求时,可以采用字位扩展技术。
字位同时扩展的连接方式:
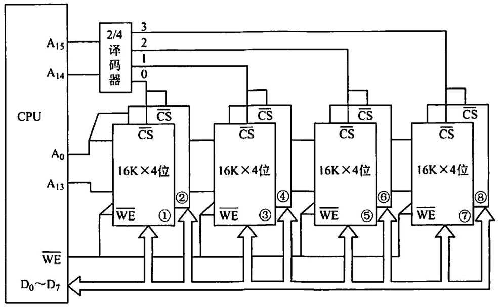
- 将进行位扩展的芯片作为一组,各组的连接方式与位扩展的相同;由系统地址线高位译码产生若干片选信号,分别接到各组芯片的片选信号。
例子: 用8片16K * 4位的RAM芯片组成64K * 8位的存储器。
每两片构成一组16K * 8位的存储器(位扩展),4组便构成64K * 8位的存储器(字扩展)。
地址线 经译码器得到4个片选信号:
时,输出端0有效,选中第一组的芯片(①和②);
时,输出端1有效,选中第二组的芯片(③和④),以此类推。
| ##container## |
|---|
![]() |
四、组成一个主存
-
合理选择存储芯片
要组成一个主存系统,选择存储芯片是第一步, 主要指存储芯片的类型(RAM或ROM)和数量的选择。通常选用ROM存放系统程序、标准子程序和各类常数,RAM则是为用户编程而设置的。此外,在考虑芯片数量时,要尽量使连线简单、方便。
ROM-系统区,RAM-用户区。 -
地址线的连接
存储芯片的容量不同,其地址线数也不同,而CPU的地址线数往往比存储芯片的地址线数要多。
通常将CPU地址线的低位与存储芯片的地址线相连,以选择芯片中的某-一单元(字选),这部分的译码是由芯片的片内逻辑完成的。而CPU地址线的高位则在扩充存储芯片时使用,用来选择存储芯片(片选),这部分译码由外接译码器逻辑完成。
例如,设CPU地址线为16位,即 ~ , 1K * 4 位的存储芯片仅有10根地址线,此时可将CPU的低位地址 ~ 与存储芯片的地址线 ~ 相连。
-
数据线的连接
CPU的数据线数与存储芯片的数据线数不一定相等,在相等时可直接相连;在不等时必须对存储芯片扩位,使其数据位数与CPU的数据线数相等。
-
读/写命令线的连接
读写控制线可以是两根,也可以是一根。
附、练习: 考研真题
[2009 统考真题]
- 某计算机主存容量为64KB,其中ROM区为4KB,其余为RAM区,按字节编址。现要用
2K * 8位的ROM芯片和4K * 4位的RAM芯片来设计该存储器,需要上述规格的ROM芯片数和RAM芯片数分别是(~~c?~~D)。 A.1, 15 B. 2,15 C. 1,30 D.2, 30
显然
2K * 8位的ROM芯片-> 4KB, 并且按字节编址, 为串联 2 片
[2010 统考真题]
- 假定用若干
2K * 4位的芯片组成一个8K * 8位的存储器,则地址0B1FH所在芯片的最小地址是(~~A?~~D)。# 8 块, 四位 A.0000H B.0600H C.0700H D.0800H
8K * 8 位 = 2^3 * 2^10 * 8bit = 2^{3 + 10 + 3}
2K * 4位 = 2 * 2^10 * 2^2bit = 2^{1 + 10 + 2}
2^{3 + 10 + 3} / 2^{1 + 10 + 2} = 2^3 = 8块
2k = 2^11, 片内地址 11 位, 和 3 位区分芯片块
- 第一组: 0000 0000 0000 0000 ~ 0000 0111 1111 1111
- 第二组: 0000 1000 0000 0000 ~ 0000 1111 1111 1111
- 第三组: 0001 0000 0000 0000 ~ 0001 0111 1111 1111
0B1F -> 0000 1011 1111 -> 第二组 最低位: 0000 1000 0000 0000 -> 0800H
[2021 统考真题]
- 某计算机的存储器总线中有24位地址线和32位数据线,按字编址,字长为32位。若
000000H~3FFFFFH为RAM区,则需要512K * 8位的RAM芯片数为(C)。 A.8 B. 16 C. 32 D. 64
24位地址线和32位数据线 是没有的信息
主要注意
000000H~3FFFFFH的内容大小是: (3FFFFFH - 000000H + 1) * 32 bit






